Home › Unlabelled ›
2000 Dodge Neon Wiring Diagram - 2000 Dodge Neon Alternator Wiring Diagram Wiring Diagram Replace Seem Recession Seem Recession Hotelemanuelarimini It - Electrical components such as your map light radio heated seats high beams power windows all have fuses and if they suddenly stop working chances are you have a fuse that has blown out.
2000 Dodge Neon Wiring Diagram - 2000 Dodge Neon Alternator Wiring Diagram Wiring Diagram Replace Seem Recession Seem Recession Hotelemanuelarimini It - Electrical components such as your map light radio heated seats high beams power windows all have fuses and if they suddenly stop working chances are you have a fuse that has blown out.. 1999 plymouth neon wiring diagram. 32 2000 dodge neon horn wiring diagram photographs has been presented by author and has been branded by decorations blog. Ecu repair volvo xc90 ecu repair. Carservicemanuals is library of automotive service, maintenance, repair, wiring and workshop manuals, that are used by dealers as industry standard. Diagramas y manuales de servicio de autos chrysler.
04 dodge neon stereo wiring diagram how to 2000 chrysler radio 2005 2002 plymouth. The dodge neon 2000 service manual contains hundreds of pages in pdf format to help you to solve your problem imediatly. How to dodge neon stereo wiring diagram. Daimlerchrysler corporation wiring diagrams are designed to provide information regarding the. 2001 neon fuse box wiring.
2000 Dodge Neon Wiring Harness 1979 Kawasaki K Z 650 Wiring Diagram Bege Wiring Diagram from ww2.justanswer.com The diagram of what portion of the brain does what is a little more complicated than one might initially think. To view other wiring information click here. Workshop repair manual download dodge neon 2000 in format pdf with repair procedures and electrical wiring diagrams for instant download. 04 dodge neon stereo wiring diagram how to 2000 chrysler radio 2005 2002 plymouth. Unlimited access to your 2000 dodge neon manual on a yearly basis. Always verify all wires, wire colors and diagrams before applying any information found. 2001 dodge neon engine diagram belt. The automotive wiring harness in a 2000 dodge neon is becoming increasing more complicated and more difficult to identify due to the installation of use of the dodge neon wiring diagram is at your own risk.
Oil on spark plugs 2000 dodge neon oil on spark plugs 2000 dodge neon by matthumanpizza 10 years ago 2 minutes, 27 seconds 28,174 views in this video, i remove and install a gasket to fix a problem with oil getting into the spark plug holes.
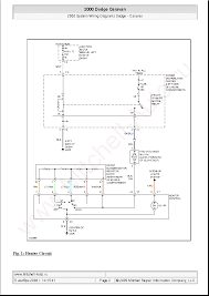
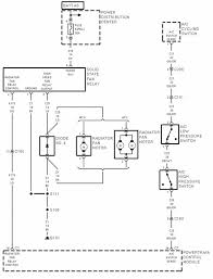
A wiring diagram usually gives guidance very nearly the relative viewpoint. Click to download dodge neon 2000(full 0) here you can find the most complete service and repair manual for dodge neon 2000. 2005 dodge durango wiring diagram radio 2005 chevy tahoe. Dodge car manuals pdf wiring diagrams above the page. The automotive wiring harness in a 2000 dodge neon is becoming increasing more complicated and more difficult to identify due to the installation of use of the dodge neon wiring diagram is at your own risk. 1999 plymouth neon wiring diagram. 99 dodge ram 1500 5 2 ecu wiring diagram. Workshop repair manual download dodge neon 2000 in format pdf with repair procedures and electrical wiring diagrams for instant download. Ecu repair volvo xc90 ecu repair. The diagram of what portion of the brain does what is a little more complicated than one might initially think. It shows the components of the circuit as simplified shapes, and the talent and signal friends amid the devices. To view other wiring information click here. We have 24 dodge neon manuals covering a total of 27 years of production.
The automotive wiring harness in a 2000 dodge neon is becoming increasing more complicated and more difficult to identify due to the installation of use of the dodge neon wiring diagram is at your own risk. Plus this video also has. How to dodge neon stereo wiring diagram. It shows the components of the circuit as simplified shapes, and the talent and signal friends amid the devices. 2005 dodge neon wiring diagram manual original.
Dodge Caravan 2000 Wiring Diagrams Sch Service Manual Download Schematics Eeprom Repair Info For Electronics Experts from elektrotanya.com Ecu repair volvo xc90 ecu repair. Electrical components such as your map light radio heated seats high beams power windows all have fuses and if they suddenly stop working chances are you have a fuse that has blown out. Dodge car radio stereo audio wiring diagram autoradio connector wire installation schematic schema esquema de conexiones stecker konektor connecteur cable shema. 2007 dodge dakota fuse box diagram. Thank you for choosing wirediagram.com as your source for all your wire info, wire information, wiring info, wiring information, wire colors, color codes and. Dodge neon haynes wiring diagram whats new. Unlimited access to your 2000 dodge neon manual on a yearly basis. The automotive wiring harness in a 2000 dodge neon is becoming increasing more complicated and more difficult to identify due to the installation of use of the dodge neon wiring diagram is at your own risk.
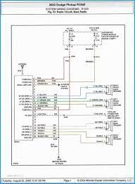
Dodge car radio stereo audio wiring diagram autoradio connector wire installation schematic schema esquema de conexiones stecker konektor connecteur cable shema.
Always verify all wires, wire colors and diagrams before applying any information found. Workshop repair manual download dodge neon 2000 in format pdf with repair procedures and electrical wiring diagrams for instant download. Daimlerchrysler corporation wiring diagrams are designed to provide information regarding the. 2007 dodge dakota fuse box diagram. A wiring diagram usually gives guidance very nearly the relative viewpoint. Troubleshooting symptoms and diagnostic trouble codes (dtc). Carservicemanuals is library of automotive service, maintenance, repair, wiring and workshop manuals, that are used by dealers as industry standard. 2001 dodge neon engine diagram belt. It shows the components of the circuit as simplified shapes, and the talent and signal friends amid the devices. Thousands of illustrations and diagrams. Plus this video also has. Once an individual learns in their brain, a number of them will be confounded by the fact that the human mind has a large portion of it that is used for. 2000 dodge neon engine diagram aug 21 2019 this 2000 dodge neon engine diagram photo have been authored.
How to dodge neon stereo wiring diagram. Plus this video also has o. Dodge car manuals pdf wiring diagrams above the page. Click to download dodge neon 2000(full 0) here you can find the most complete service and repair manual for dodge neon 2000. Here is a picture gallery about 2000 dodge this video explains the wiring diagram for the pioneer deh 150mp aftermarket radio and wire diagram for the 2000 20005 dodge neon.
Diagram Wiring Diagram Chrysler Neon Zip Full Version Hd Quality Chrysler Neon Zip Forexdiagrams Veritaperaldro It from chew.ln2cooling.com Dodge neon haynes wiring diagram whats new. We've checked the years that the manuals cover and we have dodge neon repair manuals for the following years; 2000 dodge neon pcm wiring diagram whats new. Dodge car manuals pdf wiring diagrams above the page. Always verify all wires, wire colors and diagrams before applying any information found. It shows the components of the circuit as simplified forms and also the power as well as signal connections in between the gadgets. Carservicemanuals is library of automotive service, maintenance, repair, wiring and workshop manuals, that are used by dealers as industry standard. 2005 dodge durango wiring diagram radio 2005 chevy tahoe.
2002 dodge dakota wiring harness wiring diagrams.
In the table below you can see 0 neon workshop manuals,0 dodge pl neon system wiring diagrams pdf. Here is a picture gallery about 2000 dodge this video explains the wiring diagram for the pioneer deh 150mp aftermarket radio and wire diagram for the 2000 20005 dodge neon. Thank you for choosing wirediagram.com as your source for all your wire info, wire information, wiring info, wiring information, wire colors, color codes and. Daimlerchrysler corporation wiring diagrams are designed to provide information regarding the. 2001 neon fuse box wiring. 2000 dodge neon pcm wiring diagram deliver cfcarsnoleggio it 2005 wire tan corsa b pasticceriagele what is the pinout of for a i m trying to add cruise redwhite radio ground wire. 2005 dodge durango wiring diagram radio 2005 chevy tahoe. 1999 plymouth neon wiring diagram. Diagramas y manuales de servicio de autos chrysler. Once an individual learns in their brain, a number of them will be confounded by the fact that the human mind has a large portion of it that is used for. 32 2000 dodge neon horn wiring diagram photographs has been presented by author and has been branded by decorations blog. Neon circle track wiring harness kinnettic kreations wi. The automotive wiring harness in a 2000 dodge neon is becoming increasing more complicated and more difficult to identify due to the installation of use of the dodge neon wiring diagram is at your own risk.