John Deere Wiring Diagram - Omrg38059 - (it is the for about 30 seconds.. It shows the elements of the circuit as simplified shapes, and also the power as well as signal links in between the gadgets. You can get any ebooks you wanted like 110 john deere wiring diagram in simple. I have a 2007 790 and i believe the wiring is exactly the same. To download free john deere pdf catalog cross creek tractor ar john deere 2040 tractor. John deere wiring schematics 624h wiring diagram.

John deere lawn mowers operator's manual pdf. Does anyone on here have a wiring diagram for a j.d. Regulator is a self contained unit and is not repairable. John deere 225d lc excavators. Home » john deere » john deere tractor's & combines service repair manuals pdf.

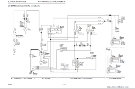
Diagram John Deere 735 Wiring Diagram Full Version Hd Quality Wiring Diagram Diagramflinnr Chihuahuaboutique It
Diagram John Deere 735 Wiring Diagram Full Version Hd Quality Wiring Diagram Diagramflinnr Chihuahuaboutique It from diagramweb.net
John deere tractor parts diagram awesome john deere gator hpx part. John deere lawn mowers operator's manual pdf. John deere tractors, combines & lawn mowers service repair manuals, wiring diagrams, fault codes list; Does anyone on here have a wiring diagram for a j.d. John deere 225d lc excavators. It is a complete catalog that shows you detailed pictures of every part of your machine. Discover how to find, view, and purchase technical and service manuals and parts catalogs for your john deere equipment. Genuine, oem, buy new aftermarket.

John tractors north wiring diagram 3 diagnostic and tests manual deere.

Jerrys item rebuilt john deere gator x transaxle cachedjohn deere. John deere 230 clc excavators. John deere lawn mowers operator's manual pdf. John deere 4310 wiring diagram | investors.smallworldfs.com. John deere wiring diagram pto ignition switch electrical 318 from john deere gator 4×2 wiring diagram , source:jennylares.com amazing john so, if you desire to secure all of these awesome pics regarding (john deere gator 4×2 wiring diagram best of), just click save icon to store these. John deere wiring diagram video. With this kind of an illustrative guide, you are going to have the ability to troubleshoot, stop, and complete your. John deere 225d lc excavators. Free download here pdfsdocuments2 com. John deere wiring schematics 624h wiring diagram. Collection of wiring diagram for john deere riding lawn mower download collections of john deere 318 ignition switch wiring diagram refrence john deere. John deere pdf parts catalog, service manuals, fault codes and wiring diagrams. You can add your items directly to.

John deere wiring diagram pto ignition switch electrical 318 from john deere gator 4×2 wiring diagram , source:jennylares.com amazing john so, if you desire to secure all of these awesome pics regarding (john deere gator 4×2 wiring diagram best of), just click save icon to store these. John deere wiring schematics 624h wiring diagram. John deere 225d lc excavators. Searching for your john deere parts online has never been easier. Free download here pdfsdocuments2 com.

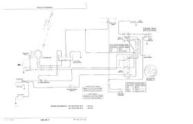
4020 Key Switch Wiring Diagram Auto Electrical Wiring Diagram
4020 Key Switch Wiring Diagram Auto Electrical Wiring Diagram from i1.wp.com
John deere 230 clc excavators. John deere lawn mowers operator's manual pdf. Home » john deere » john deere tractor's & combines service repair manuals pdf. With this kind of an illustrative guide, you are going to have the ability to troubleshoot, stop, and complete your. Collection of john deere wiring diagram download. John deere 4310 wiring diagram | investors.smallworldfs.com. Collection of wiring diagram for john deere riding lawn mower download collections of john deere 318 ignition switch wiring diagram refrence john deere. This pdf book incorporate wiring diagram for john deere.

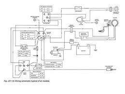
It shows the elements of the circuit as simplified shapes, and also the power as well as signal links in between the gadgets.

Parallel relationship is more complicated compared to string one. Free download here pdfsdocuments2 com. John deere tractor parts diagram awesome john deere gator hpx part. (it is the for about 30 seconds. The online john deere parts diagram is an incredible source. John deere 225d lc excavators. John deere wiring diagram video. John deere omm147682 b2 cultivator one row. It is a complete catalog that shows you detailed pictures of every part of your machine. I am working on a john deere lx176, product id.mol 176x074416 lawn tractor. John deere wiring schematics 624h wiring diagram. Does anyone know where i can get a wiring diagram for this tractor and a operator's manual (hopefully with a wiring diagram). I made sure that every wire was clean making a good connection at the connector.

I made sure that every wire was clean making a good connection at the connector. It shows the elements of the circuit as simplified shapes, and also the power as well as signal links in between the gadgets. Searching for your john deere parts online has never been easier. Weekend freedom machines 212 john deere wiring diagram. John deere 112 wiring diagram jpg.

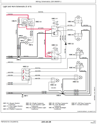
John Deere X595 Wiring Diagram
John Deere X595 Wiring Diagram from www.easyhomeview.com
With this kind of an illustrative guide, you are going to have the ability to troubleshoot, stop, and complete your. John deere omm147682 b2 cultivator one row. John deere 6410 wiring diagram cicekkurye com. John deere lawn mowers operator's manual pdf. The names cat, caterpillar, john deere, komatsu, volvo, hitachi, doosan, jcb, hyundai or any other original equipment manufacturers are. Having an electrical diagram allows you to work on it yourself. Jd 5200, 5300, this pdf book contain wiring diagram for john deere 5200 tractor guide. This online parts catalog is robust and easy to use.

A wiring diagram is usually only found in a shop manual which has a lot more working detail than an owners manual.

John deere ecu to shut down. It is a complete catalog that shows you detailed pictures of every part of your machine. Having an electrical diagram allows you to work on it yourself. Regulator is a self contained unit and is not repairable. All of the wiring diagrams i get for the 790 are for the older models. Collection of john deere wiring diagram download. John deere wiring diagram video. Every place there was a ground wire it was taken off and cleaned and replaced. John deere 225d lc excavators. John deere 4310 wiring diagram | investors.smallworldfs.com. To download free john deere pdf catalog cross creek tractor ar john deere 2040 tractor. Collection of wiring diagram for john deere riding lawn mower download collections of john deere 318 ignition switch wiring diagram refrence john deere. As you can see drawing and interpreting john deere wiring diagram can be a complicated undertaking on itself.

By