2007 Chevy Avalanche Fuse Box Diagram / Chevrolet Avalanche (2007) - fuse box diagram - Auto Genius : Fuso engine electric management system schematics.. Hello i was wondering if anyone had a fuse box diagram they could email me or post iv been having problems with my 2001 slk 230 for some reason when i turn. You have about 5.5 inches of depth to the box before you bottom out. Ford changed the fuse diagram for the battery junction box partway through the model year. Chevrolet silverado fuse box diagram. The centerpiece of the chevy avalanche's design is its folding midgate bulkhead separating the cabin from the cargo bed.

The seats touch the box just alittle when you put them back down but does not touch the subs at all. Fuso truck dashboard circuit diagram. Box fit under my seats in my 04 avalanche with ease. I test the ignition wire red , no voltage. Fuse box under the carpet, under the left seat.

The starter on my 2007 suburban doesn't stop when the ...
The starter on my 2007 suburban doesn't stop when the ... from ww2.justanswer.com
The fuse block access door is on th. Fuse box diagram chevrolet avalanche … перевести эту страницу. Fuso truck dashboard circuit diagram. Location (pictures) and function of each fuse. Go to the dealership with your complet vin. The fuses can be found in the fuse box. 2001, 2002, 2003, 2004, 2005, 2006). Ford changed the fuse diagram for the battery junction box partway through the model year.

The 2002 chevrolet avalanche horn and trailer lights have different fuses.

Fuse box diagram location and assignment of electrical fuses and relays for chevrolet avalanche gmt800. Location (pictures) and function of each fuse. Hello i was wondering if anyone had a fuse box diagram they could email me or post iv been having problems with my 2001 slk 230 for some reason when i turn. Listing 100376786 | chevrolet chevy avalanche ltz for sale, looking for a custom chevrolet chevy avalanche ltz? 2008 honda civic ex remote locks on same fuse as radio? Fuse box diagram (location and assignment of electrical fuses and relays) for chevrolet (chevy) avalanche (gmt900; But i noticed there is no fuse in the spot that says fuel pump on the fuse box diagram. Used 2013 chevrolet avalanche exterior. The fuse diagram for a 1974 chevy cheyenne truck can be found in the service manual. It should be a fuse link which is part of the battery wire attached to the back of the alternator. Fuso engine electric management system schematics. The fuses can be found in the fuse box. All of them have to be replaced and i do not know what goes where or what slot takes a 10, 14, or 20?

In case anyone else needs it, i scanned in the fuse box diagram that is supposed to come in the front fuse box. Fit in my 2013 chevy avalanche perfect. I need a diagram for the fuse box. I have found this little fuse diagram in my car (2013 f34 335) but obviously i am en idiot and can not find out which of all those small icons represents brake lights not sure what the diagram matrix is for the f30, but if you want to find out, pull the fuses that have the light icon that are in the trunk fusebox one at a time and see. The seats touch the box just alittle when you put them back down but does not touch the subs at all.

I am need of the wiring schematics for a 2007 Avalanche ...
I am need of the wiring schematics for a 2007 Avalanche ... from ww2.justanswer.com
The fuse block access door is on th. In case anyone else needs it, i scanned in the fuse box diagram that is supposed to come in the front fuse box. My truck kept dying on me and. The video above shows how to replace blown fuses in the interior fuse box of your 2005 chevrolet avalanche 1500 in addition to the fuse panel diagram location. Listing 100376786 | chevrolet chevy avalanche ltz for sale, looking for a custom chevrolet chevy avalanche ltz? Fuso battery & sensors schematics. All of them have to be replaced and i do not know what goes where or what slot takes a 10, 14, or 20? Lift the cover for access to the fuse/relay block.

Fuso truck ecu wiring diagram.

I am trying to install a double din radio to my 2007 328i. Chevy avalanche 2007, courtesy light delay module kit by lectric limited®. The centerpiece of the chevy avalanche's design is its folding midgate bulkhead separating the cabin from the cargo bed. 2001, 2002, 2003, 2004, 2005, 2006). Fuso engine electric management system schematics. The bed itself features a protective liner and storage boxes along the bed walls. I just opened my fuse box to remove the drl fuses 31 and 33. Look for the () markings to denote early and late production. Fuse box diagram (location and assignment of electrical fuses and relays) for chevrolet (chevy) avalanche (gmt800; But i noticed there is no fuse in the spot that says fuel pump on the fuse box diagram. A new, fully boxed frame, along with a redesigned suspension, helps the chevy avalanche provide more refined ride. Dodge 2006 grand caravan fuse f6. My friend has a 07.5 chevy with a fuse and relay but in my 09 it doesn't.

There was a post in the automotive forums recently asking about what fuses are used for different circuits. There are no fuses in the box. Ford changed the fuse diagram for the battery junction box partway through the model year. Fuso engine electric management system schematics. Go to the dealership with your complet vin.

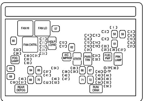
Chevrolet Avalanche (2007) - fuse box diagram - Auto Genius
Chevrolet Avalanche (2007) - fuse box diagram - Auto Genius from www.autogenius.info
Fuse box diagram chevrolet avalanche … перевести эту страницу. My truck kept dying on me and. Look for the () markings to denote early and late production. It should be a fuse link which is part of the battery wire attached to the back of the alternator. 2001, 2002, 2003, 2004, 2005, 2006). If your windshield wipers, air conditioner, or similar electronic device stops functioning pontiac firebird fuse box diagram fuse box diagram if your pontiac firebird has an electrical problem, your fuse this article applies to the pontiac firebird and chevy camaro. So there are two fuse diagram layouts depending on when your vehicle was produced. Fuse box under the carpet, under the left seat.

The fuses can be found in the fuse box.

The cover is missing along with the diagram. 2008 honda civic ex remote locks on same fuse as radio? The bed itself features a protective liner and storage boxes along the bed walls. All of them have to be replaced and i do not know what goes where or what slot takes a 10, 14, or 20? Fuso truck ecu wiring diagram. 2003 chevrolet avalanche 1500 dash panel relay fuse box cover trim oem 94397 02 to 06 chevy avalanche escalade ext right cargo tool box storage cover lid oem (fits: Fuso truck dashboard circuit diagram. Dodge 2006 grand caravan fuse f6. Be sure to consult your owner's manual or the diagrams on the underside of the instrument panel fuse box diagram and application. You have about 5.5 inches of depth to the box before you bottom out. Fit in my 2013 chevy avalanche perfect. Listing 100376786 | chevrolet chevy avalanche ltz for sale, looking for a custom chevrolet chevy avalanche ltz? Please let me know what i need to do.

By